Электрическая схема питания каравана или кастенвагена

Электросхема для каравана и автодома
Электросхема для каравана и автодома

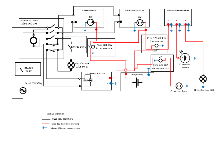
Хочу представить вашему вниманию схему электропитания каравана. Я ее собрал в свое время при переделке схемы моего каравна Tabbert Comtessa. Думаю такая схема отлично подойдет для тех кто строит сам свою технику или же переделывает заводскую после поломки штатной "Калиры".

Схема позволяет развести цепи питания и частично автоматизировать работу электрики. Схема собрана на общедоступных и недорогих элементах.

В схеме использованы

  • Зарядное устройство Орион 320 (он же Вымпел 32),
  • Блок питания для светодиодных лент (подбирается из мощности ваших потребителей на 12В индивидуально) в моем случае хватило 360Вт: TDM 360Вт-12В-IP20 для светодиодных лент и модулей. Выходные контакты соединяются и в сумме вы получаете на выходи мощность до 30А чего мне с лихвой хватает.Он служит для питания всех потребителей 12В во время стоянки при подключеных внешних 220В, дабы аккумулятор не разряжался
  • Контроллер солнечных панелей я использую MPPT контроллер мощностью до 30А (рассчитывается индивидуально под ваши потребности) и настаиваю, что всех внутренних потребителей на 12В надо питать именно от контроллера, т.к. это позволяет иметь хорошую и чувствительную систему защиты от короткого замыкания в цепях 12В, позволяет держат напряжение в сети в разрешенных рамках (что хорошо сказывается на работе потребителей), позволяет при солнечной погоде менее расходовать аккумулятор и отдавать "лишнюю" энергию потребителям при этом не расходую аккумулятор и самое на мой взгляд важное позволяет избежать глубокого разряда и в следствии смерти вашего аккумулятора.
  • Инвертор лично я использую с модифицированным синусом на 3500Вт (рассчитывается индивидуально под ваши потребности), мне его хватает и считаю, что нет смысла переплачивать за чистый синус, если у вас нет потребителей критичных именно к чистому синусу, но это лично мое мнение.
  • Автоматические выключатели для защиты по цепям 220В я использую обычные автоматы типа ВА4729 1Р16АС и ВА4729 1Р20АС соответственно на 20 и 16А
  • Два реле 12V 30А 4-х контактное с кронштейном 23.3787 я использую от фирмы АВАР но подойдет любое автомобильное, в схеме их 2 шт одна для отключения зарядного устройства от аккумулятора когда нет внешнего питания 220В, а второе что бы отделить розетку каравана от аккумулятора пока не подключен автомобиль во избежании утечки энергии или кз в вилке т.к. она находится на улице и может намокать, если вы строите кастенваген рекомендую второе реле заменить на реле УРА 200 или УРА 120 которое будет подключать аккумулятор жилого отсека к сети автомобиля когда он заведен
  • Реле электромагнитное 12V 30a 5-х контактное с кронштейном арт. 231.3787 я использую от АВАР но подойдет любое автомобильное, это реле служит лоя перекидывания напряжения для внутренних потребителей либо от аккумулятора либо от блока питания при наличии внешнего подключения 220В, при этом аккумулятор только заряжается и не расходует энергию на внутренних потребителей которые питаются от блока питания через солнечный контроллер
  • Контактор модульный я использую вот такой 3НО+2НЗ катушка на 220В, но можно и любой другой главное что бы катушка была на 220В и имелись два нормально закрытый(замкнутый) контакт и минимум три нормально открытых(разомкнутых) контакта. Это реле служит для разделения цепей инвертора и зарядного устройства с блоком питания. Оно предохранят инвертор от попадания встречного напряжения из внешней сети (вдруг вы забыли выключить инвертор и воткнули провод от вашего домика в розетку, может получиться бах) а так же позволяет автоматически включать зарядку и блок питания только тогда когда есть внешняя сеть 220В

Схема в PDF