Автодом

A collection of 109 posts
Установка солнечных панелей своими руками: Энергия для ваших приключений на автодоме (без стресса!)
Автодом

Установка солнечных панелей своими руками: Энергия для ваших приключений на автодоме (без стресса!)

Мечтали ли вы когда-нибудь о бесконечной энергии в дороге, освобождающей вас от оков подключения к внешнему питанию? Представьте, что вы подъезжаете к живописному монастырскому паркингу, зная, что ваша кофеварка и все ваши гаджеты готовы к работе, питаемые солнцем. Что ж, мой друг, эта мечта ближе, чем вы думаете, и она
5 min read
Проблемы и триумфы TÜV: Немецкое испытание нашего дома на колесах
Автодом

Проблемы и триумфы TÜV: Немецкое испытание нашего дома на колесах

Когда-нибудь задумывались, что нужно, чтобы ваш дом на колесах оставался легальным на дорогах Германии? Это не всегда солнечное небо и открытые дороги, особенно когда ваш любимый дом на колесах (ласково прозванный «Бегемотом») решает потянуть резину с немецким техническим осмотром, известным как TÜV. Представьте, что вы собираете всю свою жизнь, только
7 min read
Кассетные туалеты для автодомов: Стоят ли они шумихи (и своей цены)?
Автодом

Кассетные туалеты для автодомов: Стоят ли они шумихи (и своей цены)?

Когда-нибудь ловили себя на том, что с тоской смотрите на эти роскошные автодома со встроенными ванными комнатами, задаваясь вопросом, действительно ли трава (или, возможно, фарфор) зеленее по ту сторону? Мы все бывали в такой ситуации, мечтая об идеальном доме на колесах. Но когда дело доходит до мелочей санитарии в автодоме,
5 min read
В погоне за прохладой: почему кондиционер для автодома на 12 В может оказаться горячей проблемой
Автодом

В погоне за прохладой: почему кондиционер для автодома на 12 В может оказаться горячей проблемой

Мечтали когда-нибудь катить в закат на своем самодельном кемпере, останавливаться где душа пожелает и кайфовать в прохладе даже в самую лютую жару? Звучит как сказка, да? Ну что ж, когда дело доходит до кондиционеров в автодомах, сказка часто так и остается сказкой. Сегодня мы глубоко погрузимся в тему климат-контроля для
4 min read
Автодом: свобода и приключения за 10 тысяч евро!
Автодом

Автодом: свобода и приключения за 10 тысяч евро!

Мечтали ли вы когда-нибудь бросить всё и уехать путешествовать? А что, если я скажу, что это реально и не так дорого, как кажется? Один парень доказал, что автодом – это не просто средство передвижения, а настоящий ключ к свободе и бюджетным приключениям! В этой статье мы разберем, как купить дом на
2 min read
Водоснабжение каравана
Автодом

Схема водоснабжения каравана

Подойдет и для кастенвагенов. Хочу представить вашему вниманию схему водоснабжения каравана или любого самодельного домика позволяющую питать ваш домик от разных источников воды: 1. От встроенного бака 2. От внешнего водопровода 3. От водоема с пресной водой Схема в PDF формате Водоснабжение караванаСкачать Принцип работы 1. Питание от насоса из
1 min read
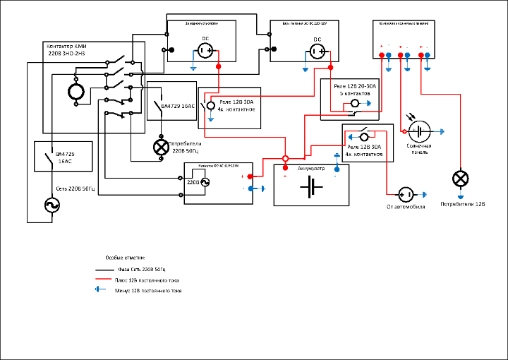
Электросхема для каравана и автодома
Автодом

Электрическая схема питания каравана или кастенвагена

Хочу представить вашему вниманию схему электропитания каравана. Я ее собрал в свое время при переделке схемы моего каравна Tabbert Comtessa. Думаю такая схема отлично подойдет для тех кто строит сам свою технику или же переделывает заводскую после поломки штатной "Калиры". Схема позволяет развести цепи питания и частично автоматизировать
2 min read
По Австралии на кемпере от океана до океана
SeaFlo

По Австралии на кемпере от океана до океана

В этом видео мы с вами проедем из Аделаиды в Перт на кемпере через всю Австралию. Содержаие видео * 00:00 Не время сидеть дома * 00:25 Пакуем чемодан * 00:39 Аэропорт * 01:09 Аделаида * 01:41 Первое утро в кемпере * 01:59 Деревня Iron Knob * 05:02 История пути из
1 min read
Автодом

Выбираем автономный отопитель для вашего автодома

Готовь сани летом. Дорогие путешественники и владельцы автодомов! С наступлением холодов особенно остро встает вопрос комфорта во время путешествий. И лучше этим вопросом озаботиться летом. Один из ключевых аспектов уюта в автодоме — это надежная и эффективная отопительная система. Сегодня мы рассмотрим современные автономные отопители и поможем вам выбрать идеальный вариант,
2 min read
Профессионалы выбирают альковник
Автодом

Профессионалы выбирают альковник

Это Марио. Мы познакомились с ним позавчера. Марио немец, но бо́льшую часть жизни провёл в Турции. Турция его второй дом. Марио знает немецкий, английский и турецкий языки. В общей сложности Марио путешествует на автодомах уже 36 лет! Он работал шеф-поваром в разных странах мира и путешествовал не постоянно, а
1 min read
Француз путешествует на автодоме по шёлковому пути
Видео

Француз путешествует на автодоме по шёлковому пути

Случайно встретил француза на автодоме. Немного поговорили с ним, я поснимал его автодом. Что в видео? Встреча с путешественником * Автор видео встречает путешественника из Франции, который путешествует на автодоме. * Путешественник говорит по-русски, хотя и с акцентом. Путешествие и впечатления * Путешественник рассказывает о своем маршруте: Франция, Италия, Казахстан, Россия, Монголия, Байкал,
1 min read
Горячая вода в доме на колесах
Видео

Горячая вода в доме на колесах

Как она готовится, где ее больше и что делать, если она пропала. Все, что нужно знать о бойлерах. Путешествие в доме на колесах — это свобода и комфорт. Но что делать, если пропадает горячая вода? В этой статье мы разберем все тонкости работы бойлеров в автодомах и прицепах-дачах, чтобы вы всегда
2 min read
4G

Как сделать интернет в автодоме

Об чём речь Речь про организацию интернета в автодоме в путешествиях. В случаях, когда вам уже недостаточно “расшарить с телефона” и вам нужен интернет в первую очередь для работы, для игр, фильмов, стриминга, передачи большого объёма контента. Если вам достаточно расшаривать с телефона - пожалуйста, не читайте, этот материал -
6 min read
Плюсы и минусы путешествий на альковнике и грузовике
Видео

Типы автодомов

В этой статье мы решили помочь вам разобраться в том, какие вообще бывают типы автодомов. Тема уже раскрывалась на тематических ресурсах. Поэтому часть информации мы почерпнули оттуда, но добавили свои мысли и наблюдения. Кемпервэн, вэн, бус Так называют небольшие дома на колёсах, созданные на основе минивэнов. Самые популярные кемпервены, которые
3 min read
Обзор автодома и много историй
Автодом

Обзор автодома и много историй

Выгнали с парковки. Обзор дома на колёсах DETHLEFFS TREND от владельца. Расскажем как нас выгнали с хорошего пляжа, истории из разных путешествий, как мы прошли границу Болгарии и Румынии на двух автодомах и увидели двойную радугу. Что в видео? Автодом и его особенности * Максим рассказывает о своем автодоме, который он
1 min read
Расчет электросистемы автодома своими руками, АКБ и солнечные панели
Видео

Расчет электросистемы автодома своими руками, АКБ и солнечные панели

В каждом самодельном автодоме есть дополнительный аккумулятор для освещения, холодильника, вентиляторов, зарядки телефонов, а у кого-то хватает даже на электроплитку и водонагреватель. В этом ролике я расскажу про то, с чего я начал расчеты электросистемы и солнечных панелей для своего автодома! Внимание - скучный контент! Я предупредил! :) Что в видео?
1 min read
Автодом прицеп, как выбрать и жить зимой
Видео

Автодом прицеп, как выбрать и жить зимой?

В видео рассказываю о том, как выбрать, когда покупать караван, как его буксировать и конечно о жизни в нём, зимой. Видео получилось длинным, но вы обязательно досмотрите его. И так ниже в тексты собрал самые популярные вопросы и ответы: Зимой, как только температура падает до -1 градуса - начинаются проблемы.
3 min read